攀枝花市人民政府网站
站群
今天是:
攀枝花市生态环境局
简
|
繁
|
注册
|
登录
网站首页
政府信息公开
政务服务
互动交流
专题专栏
您当前的位置:
首页
>
政府信息公开
>
政府网站年度工作报告报表
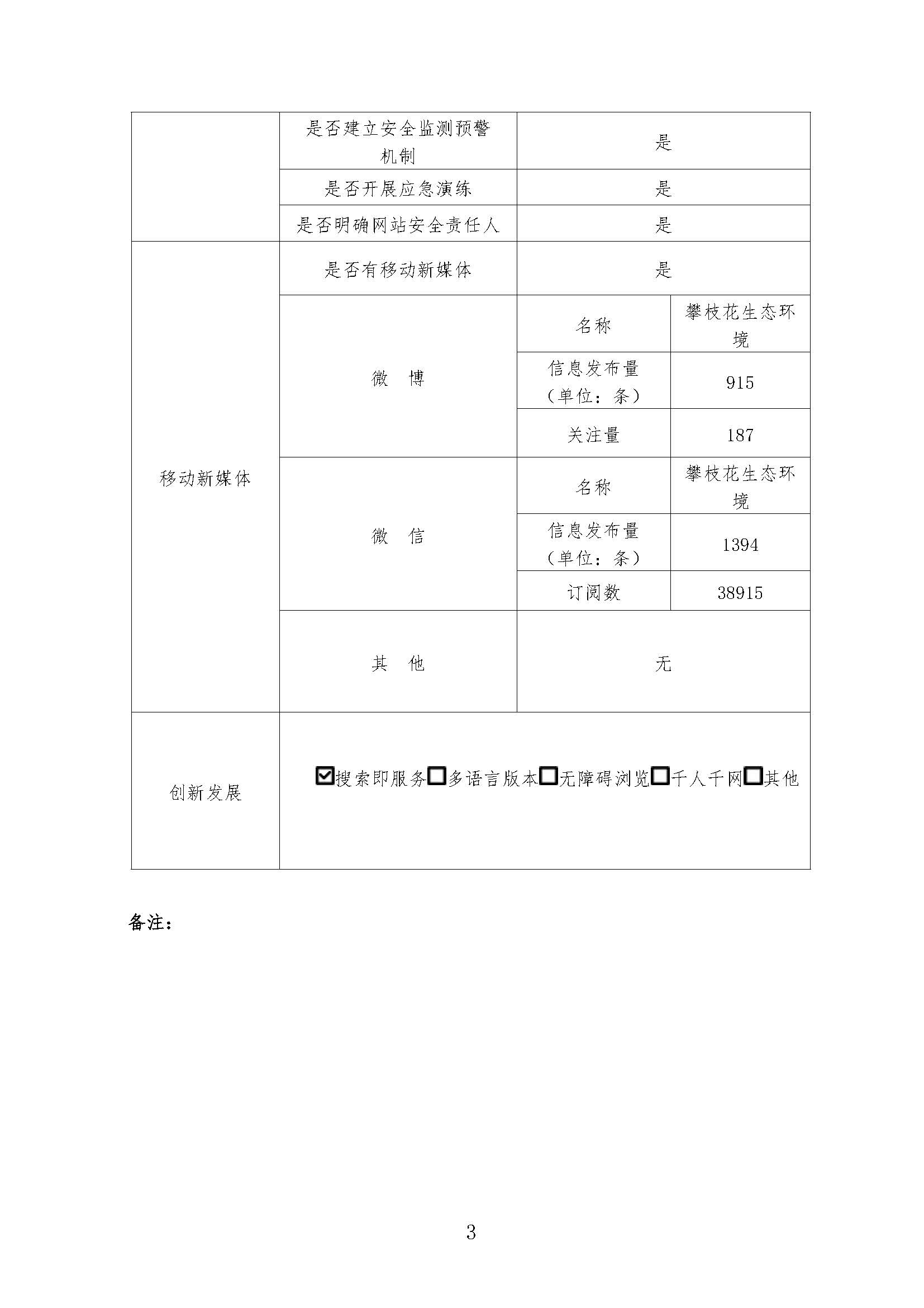
攀枝花市生态环境局政府网站工作年度报表(2021)
来源:
攀枝花市环境保护局
发布时间:
2022-01-18
选择阅读字号:[
大
中
小
] 阅读次数:
0
map